Boost Your Energy Independence: Tangent Electricals' Hybrid Solar Systems

The Smart Blend of Solar Energy for Unmatched Reliability

Hybrid Solar Solutions

A hybrid solar system represents the pinnacle of renewable energy innovation, elegantly fusing the autonomy of off-grid solar systems with the reliability and efficiency of grid-tied systems. At its core, a hybrid system captures the sun's boundless energy, transforming it into electricity to power your daily needs. Unlike traditional systems, it boasts the unique capability to store excess energy in sophisticated battery banks, ensuring that the power it generates is never wasted but preserved for moments of need.

On-Grid Solar System
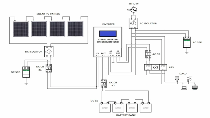
The Science & Engineering Behind On-Grid Solar

A hybrid solar power system ingeniously combines the best of both worlds: it is grid-tied, allowing you to draw power from the utility grid when needed, and also incorporates energy storage capabilities through batteries. This dual approach ensures that your energy needs are met 24/7, regardless of solar production or grid availability. The heart of a hybrid solar power system lies in its ability to seamlessly manage energy production, storage, and consumption.

Photovoltaic (PV) panels convert sunlight into direct current (DC) electricity. The efficiency of this conversion is a testament to the marvels of modern materials science and semiconductor technology. Hybrid inverter converts DC electricity from the panels (or batteries) into alternating current (AC) for use in your home. Unlike standard inverters, hybrid inverters can manage inputs from both the solar panels and the battery bank, while also being capable of exporting excess energy to the grid.

The energy storage system is where excess energy is kept for later use, such as during the night or on cloudy days. Advanced lithium-ion or lead-acid batteries are commonly used, each with its own advantages in terms of lifecycle, capacity, and cost. An intelligent energy management system (EMS) is the brain of the operation. It decides when to store energy, when to use it directly, and when to draw or feed the grid based on algorithms that ensure maximum efficiency and savings.

Benefits of Hybrid Solar Power Systems

Hybrid solar power systems offer a multitude of benefits that revolutionize the way we harness and utilize energy. By seamlessly integrating solar panels with battery storage and grid connectivity, these systems provide unparalleled reliability and flexibility. One of the most significant advantages is energy independence, empowering home-owners and businesses to reduce their reliance on the grid and shield themselves against power outages and escalating energy costs. Moreover, hybrid solar systems contribute to substantial cost savings by leveraging solar energy during peak production periods and storing excess energy for use during low-production hours or at night. This not only reduces electricity bills but also ensures a consistent and sustainable energy supply. Additionally, by harnessing clean, renewable energy from the sun, hybrid solar systems help lower carbon emissions, making them an eco-friendly choice for environmentally conscious individuals and organizations. With the ability to adapt to changing energy needs and grid conditions, hybrid solar power systems represent a transformative solution towards a more resilient and sustainable energy future. Choosing a Hybrid Solar System is an investment in your future.

Here's what you gain:

Energy Independence: Reduce your reliance on the grid and protect yourself against power outages and increasing energy prices.

Cost Savings: Utilize solar energy to its fullest, reducing your electricity bills significantly.

Eco-friendly: Lower your carbon footprint by leveraging clean, renewable energy.

Flexibility: Adapt to any changes in your energy consumption or production patterns with ease.

Designing the Ideal Hybrid Solar Power System

The ideal system size depends on your energy consumption, sunlight availability, and desired level of self-sufficiency. Tangent Electricals' expertise shines here. We conduct thorough energy audits to assess your needs and design a system that perfectly matches your requirements. Our team considers factors like:

Comprehensive energy audits: Analyzing your usage to determine optimal system size and battery capacity.

Solar Potential Analysis: Evaluating the solar potential of your property based on location, roof space, and shading.

System Sizing: Calculating the optimal size of your PV array and battery storage to meet your energy goals.

Regulatory Compliance and Incentives: Ensuring the system meets all local codes and regulations while maximizing available incentives.

Tangent Electricals: Your Trusted Partner in Hybrid Solar Solutions

At Tangent Electricals, our expertise in setting up hybrid solar systems is unmatched, stemming from years of dedicated experience and a commitment to excellence in renewable energy solutions. We understand that transitioning to solar power is not merely about installing panels; it's about creating a tailored energy ecosystem that seamlessly integrates with your lifestyle or business operations. Our team of certified engineers and technicians possesses the technical proficiency and creative vision to design and implement hybrid solar systems that exceed expectations.

From the initial consultation to the final installation and beyond, Tangent Electricals provides comprehensive support at every step of the process. We begin by conducting a thorough assessment of your energy needs and site conditions, taking into account factors such as solar potential, available roof space, shading, and energy consumption patterns. This meticulous approach ensures that your hybrid solar system is custom-designed to optimize energy production and efficiency while aligning with your budget and sustainability goals.

When it comes to installation, Tangent Electricals sets the standard for quality craftsmanship and attention to detail. Our team adheres to industry best practices and utilizes the latest tools and technology to ensure that your system is installed safely, securely, and to the highest standards of workmanship. We understand the importance of seamless integration with your existing infrastructure and take every measure to minimize disruptions and maximize performance.

What truly sets Tangent Electricals apart is our unwavering dedication to customer satisfaction and our relentless pursuit of innovation. We stay at the forefront of advancements in solar technology and industry trends, constantly seeking new ways to optimize system performance, enhance energy storage capabilities, and maximize the value proposition for our clients. Whether you're a homeowner looking to reduce your carbon footprint or a business seeking to cut costs and increase energy resilience, Tangent Electricals has the expertise and vision to turn your renewable energy aspirations into reality. Let us guide you on the journey to a brighter, more sustainable future with our unparalleled expertise in hybrid solar systems.

In the heart of innovation and sustainability, Tangent Electricals stands as a beacon of progress, illuminating the path to a greener tomorrow. Our meticulously curated hybrid solar systems are not merely installations; they are harmonious symphonies of science, engineering, and environmental stewardship, designed to empower both residential havens and commercial colossuses.

Experience: Over nine years of experience in the solar industry, ensuring your project is in expert hands.
Quality: We use only the highest quality components from leading manufacturers, guaranteeing peak performance and durability.
Expertise: Our team of qualified engineers designs and installs your system with meticulous attention to detail.
Customization: We offer a wide range of systems to perfectly match your energy needs and budget.
Transparency: We provide clear communication and cost breakdowns throughout the process.
support: We offer comprehensive monitoring and maintenance services to ensure your system operates optimally.
Redefine Energy Independence with Tangent Electricals

Investing in a Tangent Electricals hybrid solar system isn't simply a transaction; it's a transformative step towards a future bathed in sunlight and sustainability. It's an opportunity to shed the shackles of dependence, to nourish your home with the sun's bounty, and to cultivate a legacy of environmental responsibility.

Join the Solar Revolution with Tangent Electricals

Together, we can illuminate your path towards a brighter, greener tomorrow, one sunbeam at a time.

Contact Us Today